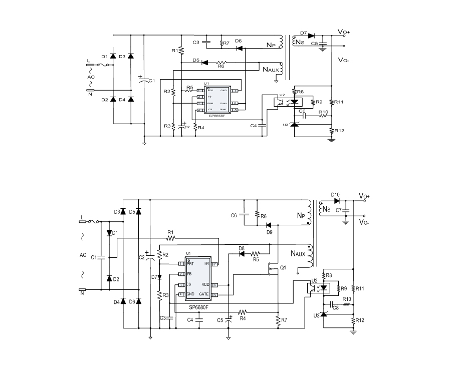
SP6668F
是一顆高性能、多工作模式的PWM控制芯片。
詳細介紹
文檔與工具
樣品及購買
SP6668F是一顆高性能、多工作模式的PWM控制芯片。芯片可以工作在跳頻及綠色模式,以此來減小空載和輕載時的損耗,也可以工作在QR工作模式及CCM工作模式,提高整機的工作效率。
SP6668F在啟動和工作時只需要很小的電流,可以在啟動電路中使用一個很大的電阻,以此來進一步減小待機時的功耗。
SP6668F內置多種保護,包括:輸入電壓過低保護(Brown-out),輸入電壓過高保護(Line-ovp),輸出電壓過壓保護(VO_OVP),輸出二極管短路保護,逐周期過流保護(OCP),過載保護(OLP),VDD過壓保護(OVP),VDD欠壓保護(UVLO),過溫保護(OTP)等。
SP6668F采用SOP7封裝。
典型應用框圖
應用
● 全電壓范圍內待機功耗低于75mW
● 內置650V高壓功率管
● 多種工作模式:
CCM@重載
QR@中載
Green Mode@輕載
Burst Mode@空載
● 內置軟啟動減小MOSFET的Vds應力
● 抖頻功能,改善EMI性能
● 跳頻模式,改善輕載效率
● 無噪音工作
● 輸入電壓過低檢測(Brown-out)功能
● 輸入電壓過高檢測(Line-ovp)功能
● 內置同步諧波補償
● 內置前沿消隱功能
● 手機、數碼相機充電器
● 小功率電源適配器
● AC/DC開放式開關電源
● 機頂盒電源
樣品及購買
樣片申請
推薦產品
